BAB I
DASAR TEORI
DASAR TEORI
Gerbang logika atau sering juga disebut gerbang logika Boolean merupakan sebuah sistem pemrosesan dasar yang dapat memproses input-input yang berupa bilangan biner menjadi sebuah output yang berkondisi yang akhirnya digunakan untuk proses selanjutnya. Gerbang logika dapat mengkondisikaninput - input yang masuk kemudian menjadikannya sebuah output yang sesuai dengan apa yang ditentukan olehnya. Terdapat tiga gerbang logika dasar, yaitu : gerbang AND, gerbang OR, gerbang NOT. Ketiga gerbang ini menghasilkan empat gerbang berikutnya, yaitu : gerbang NAND, gerbang NOR, gerbang XOR, gerbang XA
Gerbang AND
Gerbang AND digunakan untuk menghasilkan logika 1 jika semua masukan mempunyai logika 1, jika tidak maka akan dihasilkan logika 0.
Logika Rangkaian Listrik gerbang AND
Gerbang OR
Gerbang OR akan memberikan keluaran 1 jika salah satu dari masukannya pada keadaan 1. jika diinginkan keluaran bernilai 0, maka semua masukan harus dalam keadaan 0.
Logika Rangkaian Listrik gerbang OR
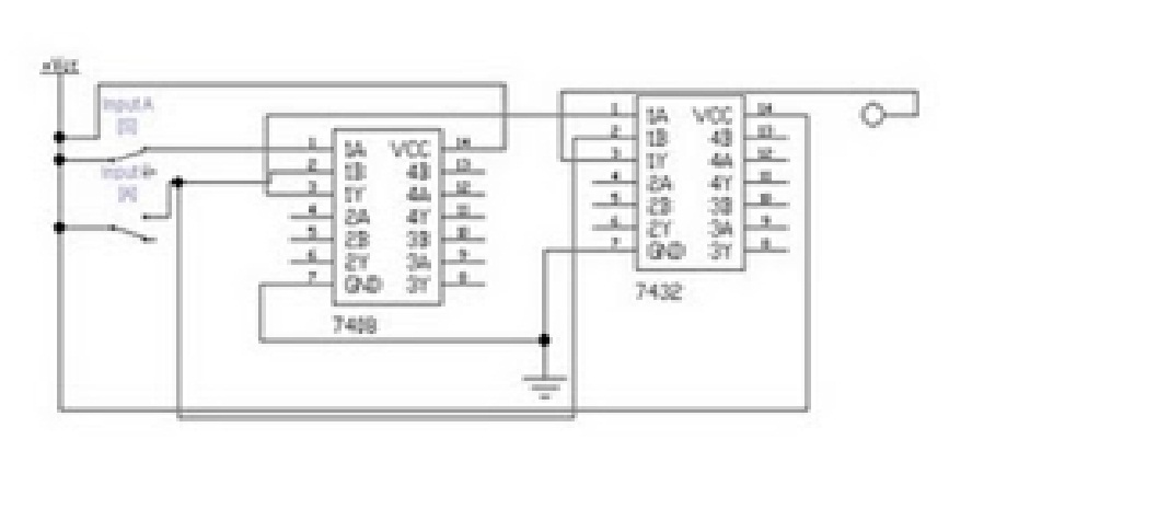
IC yang digunakan dalam gerbang AND dan OR :
IC 7408 untuk gerbang AND
IC 7408 menrupakan penggabungan dari 4 gerbang and, kaki no 1 & 2 input dan kaki no 3 output, begitu juga pada kaki no 4 & 5 sebagai input dan outputnya kaki no 6. Sedangkan kaki no 14 (VCC), kaki ini harus disambungkan ke sumber daya, dan kaki no 7 (GND), disambung ke bagian ground.
IC 7432 untuk gerbang OR.
pada dasarnya sama dengan IC jenis 7408, tetapi IC 7432 ini menggunakan gerbang OR di dalamnya. Kaki no 1 & 2 input dan kaki no 3 output. Pada kaki no 14 menyambung ke VCC dan kaki no 7 ke GROUND.
(TUGAS)










Tidak ada komentar:
Posting Komentar